- 信息类别: 征地用地
- 公开方式: 主动公开
- 生成日期:2025-03-20
- 公开时限: 常年公开
- 公开范围: 面向全社会
- 信息索取号:000014349/2025-02448
九江市柴桑区人民政府关于柴桑区2025年第一批次城市建设用地征收土地现状调查结果公告
关联导读:
九江市柴桑区人民政府
关于柴桑区2025年第一批次城市建设用地征收土地现状调查结果公告
根据《中华人民共和国土地管理法》《中华人民共和国土地管理法实施条例》《江西省征收土地管理办法》等相关规定和征收土地预公告的安排,政府组织自然资源、住房和城乡建设、农业农村、林业、民政等部门,于2025年3月5日至2025年3月18日期间在马回岭镇杨柳村九组、马回岭镇颜家畈村四组开展了土地现状调查及确认。现将调查结果公告如下:
征收土地位于马回岭镇杨柳村九组,马回岭镇颜家畈村四组(具体拟征收范围见附件1)。
本次拟征地涉及马回岭镇杨柳村九组农民集体,马回岭镇颜家畈村四组农民集体。
三、调查结果
(一)土地情况
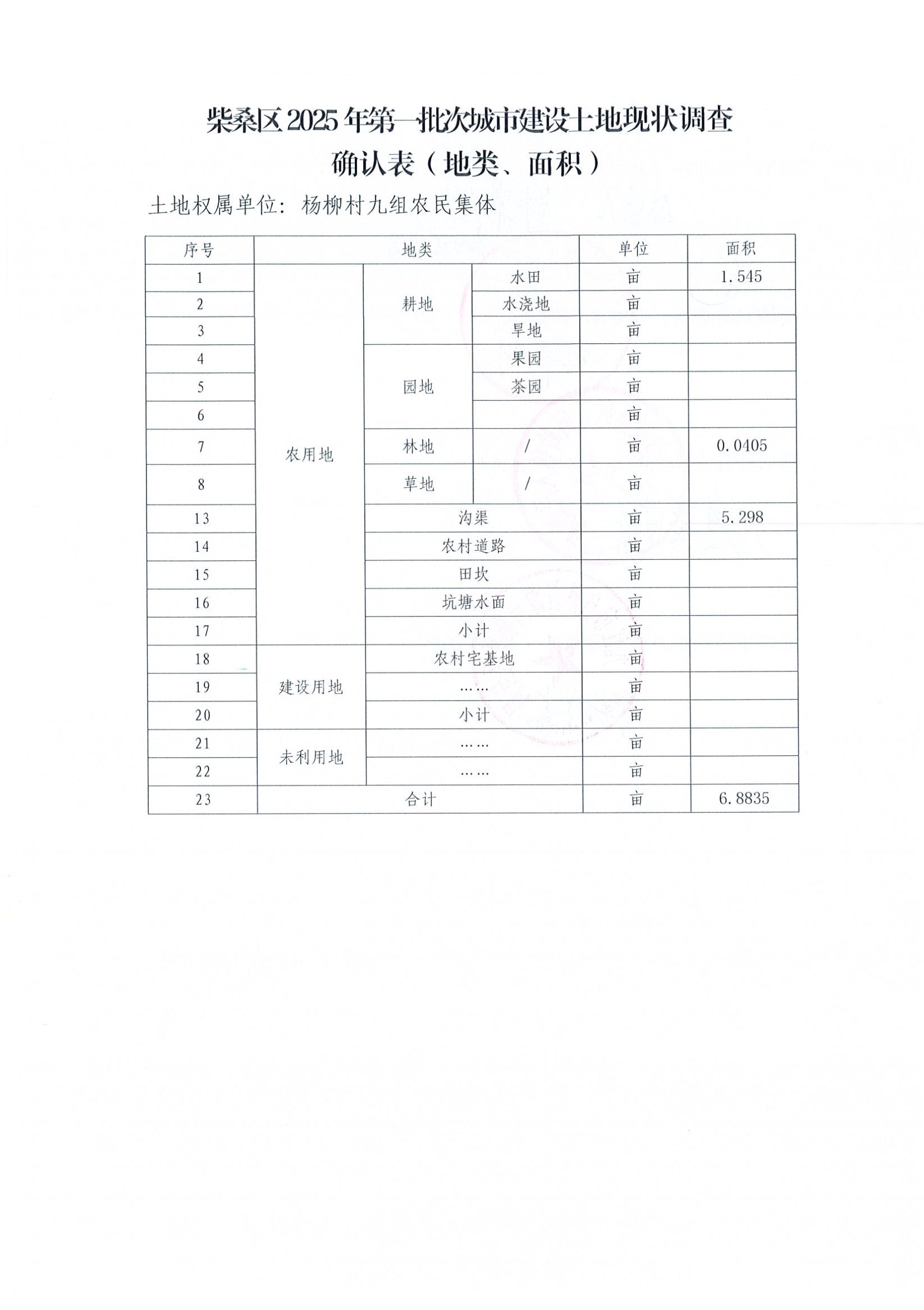
经勘测定界及调查确认,本次拟征地面积26.163亩,其中水田12.6975亩、林地6.366亩、其它农用地6.264亩、未利用地0.8355亩(见附件2)。
(二)青苗、树木等情况(见附件3)
(三)农村村民住宅(房屋)、其他建筑物、构筑物及附属设施情况(见附件4)
拟征收土地的所有权人、使用权人对调查确认结果有异议的,应当凭相关证据材料在公告期限内口头或书面提出复核申请,对口头提出的申请予以记录。参加调查的单位将予以复核并作出复核结论。
本公告期限为2025年3月20日至2025年3月25日(注:公示时间不少于五个工作日)。
联系单位:马回岭镇人民政府
联系人员:张显斌
联系电话:6921200
附件:1.拟征地红线图
2.拟征收土地现状调查确认表(权属、地类、面积)
3.拟征收土地现状调查确认汇总表(青苗、树木等)
九江市柴桑区人民政府
2025年3月20日
附件1
拟征地红线图

附件2
拟征收土地现状调查确认表(权属、地类、面积)




附件3
拟征收土地现状调查确认汇总表(青苗、树木等)


扫一扫在手机打开当前页
赣北眉目地·兴旺大柴桑

赣公网安备 36042102000101号