中央人民政府
|
江西省人民政府
|
九江市人民政府
|
无障碍浏览
|
个人中心
|
关怀版
|
天气预报
|
网站支持IPv6
查 询
赣北眉目地·兴旺大柴桑
网站首页
政务资讯
政府信息公开
政务服务
互动交流
走进柴桑
当前位置:
首页
/
政务公开
/
政府信息公开
/
区政府部门信息公开
/
水利局
/
法定主动公开
/
规划计划
信息类别:
规划计划
公开方式:
主动公开
生成日期:
2022-03-14
公开时限:
常年公开
公开范围:
面向全社会
信息索取号:
000014349/2022-59634
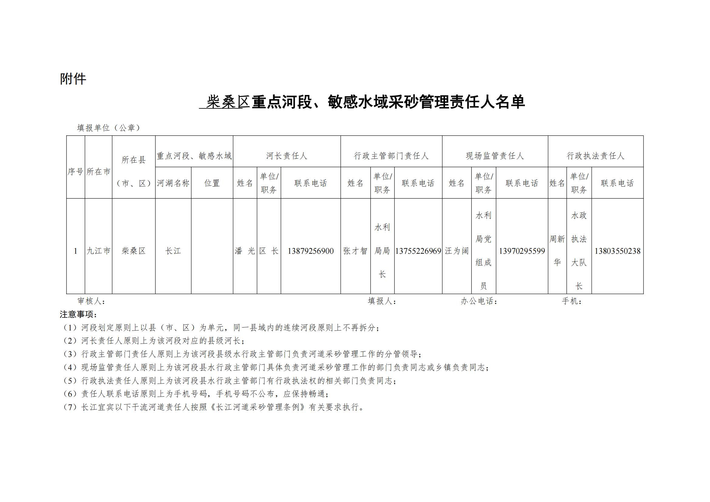
柴桑区重点河段、敏感水域采砂管理责任人名单
发布日期: 2022-03-14 10:20
来源:
字号:
〖大
中
小〗
关联导读:
扫一扫在手机打开当前页
【关闭窗口】
【打印此页】
【返回顶部】
国家部委
江西省及设区市政府网站
九江市政府部门网站
各县区政府网站
区内机构网站
新媒体矩阵
中央人民政府
国家新闻出版署
国家互联网信息办公室
国家卫生健康委员会
国家民族事务委员会
国家发展和改革委员会
国家档案局
国家邮政局
国家铁路局
中国气象局
国家统计局
国家公务员局
国家体育总局
国家税务总局
国家外汇管理局
国家知识产权局
中国民用航空局
国家林业和草原局
国家广播电视总局
国家机关事务管理局
国家药品监督管理局
国家市场监督管理总局
商务部
教育部
水利部
公安部
财政部
司法部
民政部
农业农村部
交通运输部
自然资源部
科学技术部
文化和旅游部
工业和信息化部
住房和城乡建设部
人力资源和社会保障部
中国人民银行
江西省人民政府
南昌市人民政府
九江市人民政府
赣州市人民政府
宜春市人民政府
抚州市人民政府
吉安市人民政府
鹰潭市人民政府
上饶市人民政府
新余市人民政府
萍乡市人民政府
景德镇市人民政府
编办
驻汉办
驻深办
供销社
公路局
扶贫办
税务局
人防办
卫健委
体育局
国资委
统计局
审计局
商务局
林业局
水利局
住建局
人社局
财政局
司法局
民政局
公安局
科技局
教育局
工信局
发改委
档案馆
信访局
史志办
老干部局
政法委
统战部
宣传部
组织部
市委党校
机关工委
交通运输局
农业农村局
生态环境局
文广新旅局
自然资源局
应急管理局
城市管理局
医疗保障局
采砂管理局
港口航运局
机关事务管理局
市场监督管理局
退役军人事务局
政务服务管理局
浔阳区人民政府
濂溪区人民政府
柴桑区人民政府
德安县人民政府
永修县人民政府
庐山市人民政府
修水县人民政府
武宁县人民政府
瑞昌市人民政府
湖口县人民政府
都昌县人民政府
彭泽县人民政府
共青城市人民政府
九江开发区管委会
八里湖新区管委会
鄱阳湖生态科技城
庐山西海风景名胜区管委会
信用柴桑
柴桑区法院
柴桑区纪委
柴桑区人民检察院
柴桑生态环境
平安柴桑
柴桑区就业创业
柴桑就业
柴桑区人民政府发布
柴桑发布
柴桑公安
柴桑生态环境
柴桑文旅
柴桑自然资源
魅力江洲
柴桑教育发布
网站地图
|
关于我们
|
免责申明
|
网站年报
|
关怀版
|
政务邮箱